Светодиодные профили для лестницы: Эстетичное и безопасное освещение
Представляем вам светодиодные профили для лестницы, которые обеспечивают эстетичное и безопасное освещение ваших лестниц. Эти профили идеально подходят для установки на лестничные ступени, создавая равномерное и стильное освещение, которое делает передвижение по лестнице безопасным и комфортным в любое время суток.
Преимущества Светодиодных Профилей для Лестницы
Светодиодные профили для лестницы обладают высокой прочностью и долговечностью. Они обеспечивают равномерное распределение света по всей длине ступени, предотвращая спотыкания и падения. Эти профили также придают современный и элегантный вид вашему интерьеру, улучшая его визуальную привлекательность.
Выбор Светодиодного Профиля для Лестницы
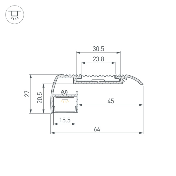
При выборе светодиодного профиля для лестницы важно учитывать его размеры, материал изготовления и совместимость с вашими светодиодными лентами. В нашем магазине представлены различные модели профилей, которые помогут вам создать безопасное и стильное освещение ваших лестниц.

